Odpowiedz 
 
Ocena wątku:
  • 7 Głosów - 4.14 Średnio
  • 1
  • 2
  • 3
  • 4
  • 5
Składamy wzbudnicę SSB G4CLF
SP3F Offline
Romek
***

Liczba postów: 202
Dołączył: 26-05-2013
Post: #721
RE: Składamy wzbudnicę SSB G4CLF
Andrzeju. Zapisałem obrazek an dysku, ale jego wielkość to tylko 2,4 kb. Nie potrafię dojrzeć szczegółów.

Ale tutaj jest wersja, którą moje starane oczy spokojnie obejrzały.
http://www.sp7ewl.one.pl/if-K2_pliki/IF_...ematic.pdf

Jurku - chyba o te dwa kearce chodziło.

73 - Dziadek Romek
(ex. sp3nyg)
(Ten post był ostatnio modyfikowany: 17-08-2016 20:27 przez SP3F.)
17-08-2016 20:27
Znajdź wszystkie posty użytkownika Odpowiedz cytując ten post
bolanren Offline
Jerzy SP5RZM
****

Liczba postów: 434
Dołączył: 10-04-2011
Post: #722
RE: Składamy wzbudnicę SSB G4CLF
Szanowni Koledzy,

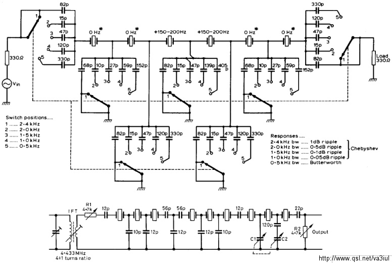
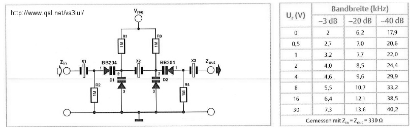
W imieniu wszystkich zainteresowanych dziękuję za "podrzucenie" informacji o rozwiązaniu IF w "K2" z dodatkową modernizacją dokonaną przez Kolegę SP7EWL. Ciekawy jest sposób dopasowania kwarcowego filtru PP9. Drugi filtr też ma interesujące rozwiązanie z diodą pojemnościową. Podobno Rosjanie chętnie takie filtry stosują. Domyślam się, że chodzi o zmianę szerokości pasma?

Pozdrawiam
Jerzy SP5RZM
Szanowni Koledzy Plesseyowcy oraz niemniej Szanowni Koledzy Obserwatorzy,


Po obejrzeniu ostatniego schematu toru p.cz. od "K2" z ciekawości zacząłem poszukiwać podobnych rozwiązań. Od razu wyjaśnię, że nie w celu zaimplementowania ich w kolejnym projekcie ale wyłącznie po to aby zorientować się co w tej materii inni Koledzy robią. Skupiłem się na przestrajanych kwarcowych filtrach. Żałuję jedynie, że autor jednego z opracowań nie podał na jaką środkową "f" filtru jest jego konstrukcja.


Pozdrawiam wszystkich
Jerzy SP5RZM


Załączone pliki Miniatury
İmage İmage
(Ten post był ostatnio modyfikowany: 18-08-2016 9:06 przez bolanren.)
17-08-2016 20:55
Znajdź wszystkie posty użytkownika Odpowiedz cytując ten post
SP9LVZ Offline
Piotr
*****

Liczba postów: 814
Dołączył: 13-01-2015
Post: #723
RE: Składamy wzbudnicę SSB G4CLF
Niestety filtry drabinkowe mają większe tłumienia w paśmie przenoszenia i nierówne zbocza w porównaniu do fabrycznych McCoya. Regulacja na diodach pojemnościowych jeszcze pogarsza sprawę. Mam już negatywne doświadczenia z filtrami drabinkowymi "przestrajanymi" w trx telegraficznych. Wielkość wprowadzanego tłumienia przy dużym zawężaniu pasma diodami pojemnościowymi jest dla mnie nie do przyjęcia.
Ja jeśli mogę coś proponować to jednak drugi filtr "fabryczny" w pośredniej bez innych kombinacji.


Załączone pliki
.pdf  filtry kwarcowe drabinka.pdf (Rozmiar: 531.42 KB / Pobrań: 1155)
18-08-2016 12:03
Odwiedź stronę użytkownika Znajdź wszystkie posty użytkownika Odpowiedz cytując ten post
SP3F Offline
Romek
***

Liczba postów: 202
Dołączył: 26-05-2013
Post: #724
RE: Składamy wzbudnicę SSB G4CLF
Z pliku załączonego przez Piotra wynika, że filtr drabinkowy wnosi ok 10 db tłumienia. Sądzę, że poprzedzający go tor p.cz. daje tyle wzmocnienia, iż ta strata zostanie zniwelowana. Zaś co do stromości zboczy - filtr przed detektorem da więcej niż gdyby go tam nie było. Czyli wytnie znakomitą większość zbędnych szumów.

73 - Dziadek Romek
(ex. sp3nyg)
18-08-2016 12:35
Znajdź wszystkie posty użytkownika Odpowiedz cytując ten post
SP5BMP Offline
Janusz
****

Liczba postów: 606
Dołączył: 02-11-2010
Post: #725
RE: Składamy wzbudnicę SSB G4CLF
Nie zgodzę się z tym, że filtry drabinkowe są dużo gorsze od McCoya. Owszem, filtry „wąskie” budowane dola CW posiadają tłumienie w paśmie przepuszczania rzędu 6dB. Dla filtrów do emisji SSB tłumienie wynosi około 2 dB. Zamieszczam pomiary, które zrobiłem w ubiegłym czasie dla dwóch różnych filtrów. Powodzenia w budowie 73, Janusz.


Załączone pliki
.pdf  8 kw 2.4 ssb pomiar 03.2014 2.pdf (Rozmiar: 17.77 KB / Pobrań: 830)
.pdf  8 kw 2.4 ssb pomiar 03.2015 a.pdf (Rozmiar: 17.37 KB / Pobrań: 764)
18-08-2016 13:10
Znajdź wszystkie posty użytkownika Odpowiedz cytując ten post
SP9LVZ Offline
Piotr
*****

Liczba postów: 814
Dołączył: 13-01-2015
Post: #726
RE: Składamy wzbudnicę SSB G4CLF
Mógłbyś pokazać schemat tych filtrów drabinkowych, jaka była impedancja zamknięcia do pomiarów?
Jaka była tolerancja częstotliwości kwarców do tych filtrów i z jakiej ilości były wybierane?
18-08-2016 15:19
Odwiedź stronę użytkownika Znajdź wszystkie posty użytkownika Odpowiedz cytując ten post
SP6AUO Offline
Andrzej
*****

Liczba postów: 1,051
Dołączył: 20-09-2009
Post: #727
RE: Składamy wzbudnicę SSB G4CLF
Jerzy, zachęcam do tej konstrukcji.
Trochę wcześniejsza od K-2.
İmage

Andrzej
18-08-2016 17:23
Znajdź wszystkie posty użytkownika Odpowiedz cytując ten post
SP3F Offline
Romek
***

Liczba postów: 202
Dołączył: 26-05-2013
Post: #728
RE: Składamy wzbudnicę SSB G4CLF
U mnie wyskoczyło: "not found"

73 - Dziadek Romek
(ex. sp3nyg)
18-08-2016 18:00
Znajdź wszystkie posty użytkownika Odpowiedz cytując ten post
SP6AUO Offline
Andrzej
*****

Liczba postów: 1,051
Dołączył: 20-09-2009
Post: #729
RE: Składamy wzbudnicę SSB G4CLF
http://www.qrpproject.de/UK/Speaky1.htm
Zachęcam do poczytania,a budowa "Składamy wzbudnicę SSB G4CLF"

Andrzej
(Ten post był ostatnio modyfikowany: 18-08-2016 18:25 przez SP6AUO.)
18-08-2016 18:25
Znajdź wszystkie posty użytkownika Odpowiedz cytując ten post
bolanren Offline
Jerzy SP5RZM
****

Liczba postów: 434
Dołączył: 10-04-2011
Post: #730
RE: Składamy wzbudnicę SSB G4CLF
Andrzeju,

Dziękuję za włączenie się do dyskusji i podsunięcie kolejnego interesującego tematu. Z całą pewnością artykuł przejrzę ale niestety nie przeczytam, bo nie znam języka niemieckiego. Może da się przetłumaczyć przez "wujka google".

Czytanie nikomu za wyjątkiem Don Kichota specjalnie nie zaszkodziło. Smile

Pozdrawiam
Jerzy SP5RZM
Widzę, że jest również angielska wersja .
(Ten post był ostatnio modyfikowany: 18-08-2016 19:36 przez bolanren.)
18-08-2016 19:14
Znajdź wszystkie posty użytkownika Odpowiedz cytując ten post
Odpowiedz 


Skocz do:


Użytkownicy przeglądający ten wątek: 20 gości