Odpowiedz 
 
Ocena wątku:
  • 1 Głosów - 5 Średnio
  • 1
  • 2
  • 3
  • 4
  • 5
Analizator NA200
SP6VGX Offline
Tomek
***

Liczba postów: 108
Dołączył: 03-11-2012
Post: #21
RE: Analizator NA200
No i kolejny NA200 prawie gotowy zostalo poczekac na przesylke z AD9951 i SGA7489 z Nigeo. W paru miejscach zastosowane kondensatory 100nF C0G (spore bydlaki - dostepne w TME). W zasilaniu SGA7489 natomiast 4 x 200om - zobaczymy czy to wystarczy czy zmienic na 5 x 220om (niestety nie mialem 220 o wiekszej mocy).

İmage

i tutaj znowu ponawiam pytanie odnosnie tych filtrow RC idacych z wyjsc sond na wejscia przetwornikow.

Gdyz maja one wplyw na pewno na maksymalna szybkosc probkowania przez przetwornik (zarowno dopieta rezystancja jak i pojemnosc) tworzaca filtr. Niestety dobieranie tutaj czegos bez znajomosci kodu zrodlowego (czestotliwosci probkowania) to takie eksperymentowanie.

No i tutaj czy obecny schemat podpiecia byl podyktowany jakimis obliczeniami/zalozeniami/doswiadczeniem wyniklym z eksperymentow ?

Niestety nie ualo mi sie trafic w internecie na podobne rozwiazanie. Jedyne jakie znalalzlem z bardziej rozbudowanym filtrem to uklad na qrpforum:
http://www.qrpforum.de/index.php?page=Th...#post49147

Natomiast w sporej czesci rozwiazan innych NWT najczesciej ogranicza sie to do pojemnosci 10nF i rezystora 10k...
http://www.asobol.ru/moi-konstrukcii/nwt...-dla-nwt-7

Tomek - SP6VGX (SWL: SP-0316-JG)
QTH: Warszawa, LOKATOR: KO02NG
http://www.sp6vgx.pl/
(Ten post był ostatnio modyfikowany: 19-12-2015 22:14 przez SP6VGX.)
19-12-2015 22:14
Znajdź wszystkie posty użytkownika Odpowiedz cytując ten post
SP5FCS Offline
Adam
*****

Liczba postów: 1,073
Dołączył: 02-02-2009
Post: #22
RE: Analizator NA200
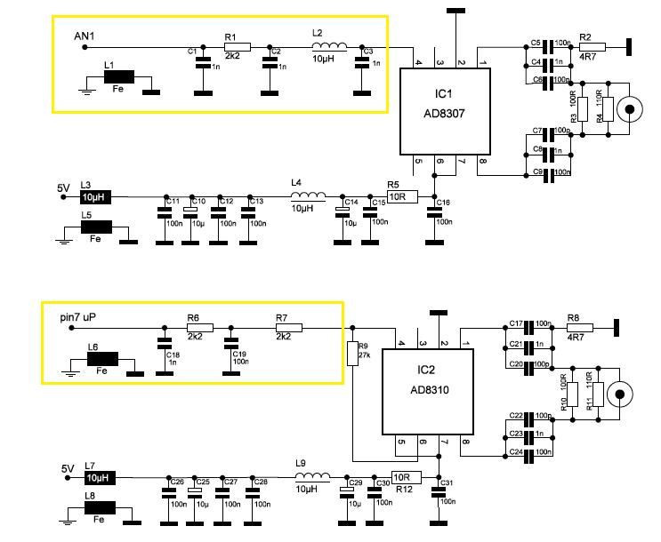
Tomek, schemat sond pomiarowych jest poprawny i zgodny z ostateczną wersja analizatora. Moje pierwsze zdjęcia były zrobione przed próbami po których kilka elementów w filtrach sond zostało zmienionych. Stąd różnice pomiędzy zdjęciami a ostatecznym schematem.

Dla sondy AD807 kondensator C2 może być trochę większy niż 1nF ale ostrożnie bo można popsuć początek charakterystyki analizatora.
Detektor AD810 nie "lubi" pojemności na wyjściu dlatego mamy tam rezystor 2k2 (może być większy) zamiast dławika 10uH. Pomiędzy rezystorami 2k2 może być większy kondensator np. tak jak na schemacie 100nF.
Można sobie zrobić kilka prób z wartościami kondensatorów tak aby przebiegi były OK. Czasem zależy to od źródła pochodzenia detektorów (chińskie/oryginały z Analoga).

Kondensatory 1nF warto aby były NP0, jeśli nie mamy takich to dodatkowo na kanapkę jakiś pikowy (100..220pF) typu NP0.
Kondensatory blokujące 100nF mogą być zwykłe, można dołożyć na "kanapkę" dodatkowo jakiś NP0 (1...10nF).


Załączone pliki Miniatury
İmage

73 Adam
19-12-2015 22:51
Znajdź wszystkie posty użytkownika Odpowiedz cytując ten post
SP6VGX Offline
Tomek
***

Liczba postów: 108
Dołączył: 03-11-2012
Post: #23
RE: Analizator NA200
Dzieki Adamie Smile

O to mi chodzilo Smile Czyli wiem na czym stoje Smile W sumie dalem wiekszosc kondensatorow C0G (od 100nF do dolu - ot to co dostepne na rynku) czyli w sumie to samo co NP0 lacznie z 100nF przy sondach jak i AD9951 (akurat mialem 20szt - moze nie sa tanie ale kij jak maja lezec to znalazly swoje miejsce). Reszta na zasilaniach zwykle 100nF i obok nich 1nF C0G + zwykle 220nF razem z 200pF C0G na wjesciu i wyjsciu filtru oraz za wzmacniaczem. Jak bedzie potrzeba to jeszcze gdzie niegdzie na zasilaniu doloze moze na kanapke 1nF C0G...

Ot mocno mnie to zastanawialo bo widzialem w sumie kilka koncepcji w internecie i nie wiem jak wplywa to na AD9307, AD9310 (akurat mam oryginaly z Analoga, ale w dokumentacji czy notach aplikacyjnych nie jest to jakos mocno poruszone) natomiast wiem z doswiadczenia ze stosowanie zarowno dzielnikow jak i pojemnosci dosc mocno wyplywa na przetworniki (przynajmniej np. w STM-ach jak chcemy szybszego probkowania - co zreszta jest loginczne). Natomiast odnosnie PIC-ow mam stosunkowo male doswiadczenie, robilem tylko kilka projektow na dsPIC i nie zaglebialem sie zbyt mocno jak tam to sie sprawdza...

Heh w takim razie ide sobie dolutowac brakujace elementy ;] Jak dojda brakujace czesci to zapewne zalacze juz wyniki pomiarow Smile



No i kolejne NA200 uruchomione Smile Na chwile obecna SGA7489 zasilany przez rezystory 4 x 200om i cewke 150nH z Maritex-u (Rozmiar 1008: Imax=580mA, RDC=0.7Ω). Niestety nigdzie nie moge dorwac 220om 0.7W (w TME beda dopiero w polowie lutego heh) lub inne aby uzyskac podoby prad i sie zmiescily, a patrzac jak grzeja sie obecne strach dawac mniejsze... ...wiec testy zapewne dopiero za jakis czas jakie zmiany przyniosa...

Tutaj podpiete NA200 z wylaczonym generatorem - czyli smieci od generatora 30MHz i jego harmoniczne w pasmie do 1GHz:

İmage

Poziom sygnalu i harmoniczne VFO: 3.7MHz
İmage

Poziom sygnalu i harmoniczne VFO: 50MHz
İmage

Poziom sygnalu i harmoniczne VFO: 145MHz
İmage

Plytka i ekrany:
İmage

İmage

İmage

İmage

Pozostalo jeszcze wykonac PCB pod sonde liniowa i jakas obudowe.

Niestety obecnie nie udalo mi sie znalezc nigdzie takich kieszeni. Obecnie produkowane z cienszego profilu (panele mocowane na srubki z boku) niezbyt pasuja. Mam na stanie obudowy Bopla Alubos niestety szersze wiec najprawdopodobniej NA200 wyladuje w takiej (trzeba bedzie pomyslec jak zamocowac/poszerzyc plytke) lub jeszcze zastanawiam sie nad tedykowana obudowa z aluminium (elementy wycinane na laserze).

Nizej wykresy z WinNWT (wykresy: czerwony AD8307, zielony AD8310). Najlepszy efekt to moze nie jest, ale moze uda sie jeszcze cos poprawic.

Na koniec chce jeszcze podziekowac Adamowi SP5FCS za PCB oraz udzielone porady oraz Zdzislawowi SP4HKQ tak samo za rozne porady odnosnie NWT na forum.


Załączone pliki
.pdf  NA200_zwarty.pdf (Rozmiar: 15.73 KB / Pobrań: 1217)
.pdf  NA200_rozwarty_pelne_ekranowanie.pdf (Rozmiar: 15.98 KB / Pobrań: 1177)
.pdf  NA200_rozwarty_pelne_ekranowanie_przewody.pdf (Rozmiar: 16.73 KB / Pobrań: 1192)
.pdf  NA200_rozwarty_ekrany_bez_pokrywek.pdf (Rozmiar: 16.08 KB / Pobrań: 1140)

Tomek - SP6VGX (SWL: SP-0316-JG)
QTH: Warszawa, LOKATOR: KO02NG
http://www.sp6vgx.pl/
(Ten post był ostatnio modyfikowany: 20-12-2015 2:57 przez SP6VGX.)
20-12-2015 2:57
Znajdź wszystkie posty użytkownika Odpowiedz cytując ten post
SP4HKQ Offline
Zdzisław SK!
****

Liczba postów: 490
Dołączył: 19-08-2009
Post: #24
RE: Analizator NA200
Tomek zastosowanie oporników 0.7 W niewiele zmieni one też się będą grzały bo są w "kupie". Tu bardziej chodzi o wymuszenie prądu płynącego przez wzmacniacz a przez to zwiększenie odstępu między harmonicznymi.

Teraz kilka uwag na temat pomiarów filtrów kwarcowych za pomocą NA/NWT. Filtr kwarcowy im ma więcej kwarców tym wnosi większe opóźnienie w propagacji sygnału przechodzącego przez filtr. Koledzy mierząc filtry najczęściej ustawiają 9999 kroków, bo przecież zrobi pomiar najdokładniej. To jest błąd, gdyż zanim sygnał przejdzie przez filtr i zostanie zmierzony przez AD8307 częstotliwość generatora może być już nawet kilka tysięcy kroków z przodu. Taka sytuacja praktycznie nie pozwala zmierzyć częstotliwości rzeczywistych zboczy filtru. W zależności od ustawionych paramentów przemiatania NWT zmienia się też bramka filtru i nie mamy świadomości co jest rzeczywistym wynikiem pomiaru filtru.
Najlepszym rozwiązaniem jest zdjęcie charakterystyki filtru krok po kroku. Każdy powie nie po to robiłem NWT żeby pomiary robić na piechotę. Jest na to sposób: zakładka WATMETER. Za pomocą przełączników ustalamy częstotliwości przy których spadek sygnału przechodzącego przez filtr będzie niższy o 6 dB bądź 3 dB niż sygnał maksymalny po obu stronach filtru. Dokonaliśmy pomiaru jednorazowego na piechotę.
Teraz dla danych parametrów przemiatania min max częstotliwość przemiatania szukamy ilości kroków przy których częstotliwości zboczy się pokryją z pomiarem "na piechotę". U mnie wychodzi to 2701 kroków. Wszystkie takie same filtry możemy mierzyć w automacie, a wynik pomiaru będzie się różnił co najwyżej o Hz.
21-01-2016 11:57
Znajdź wszystkie posty użytkownika Odpowiedz cytując ten post
SP6VGX Offline
Tomek
***

Liczba postów: 108
Dołączył: 03-11-2012
Post: #25
RE: Analizator NA200
Odnosnie tych rezystorow to chodzi mi bardziej o rozmiar obudowy, mimo wszystko jest wieksza powierzchnia odprowadzajaca cieplo. Mialem wczoraj zrobic pomiar temperatury, ale bylem juz zmeczony. Jednak palca na nich dlugo nie utrzymam. Natomiast na stanie mam z SMD glownie elementy 805 i 603 (bo takie najczesciej uzywam w projektach) wiec obawiam sie ze one dlugo nie wytrzymaja przy takim pradzie.

Jak zbierze mi sie cos wiecej do zamowienia to zamowie jakies w wiekszych obudowach i zobaczymy jak wplynie to na harmoniczne.

Odnosnie NWT to dzieku za uwagi sa na prawde bardzo cenne. Akurat tak sie zlozylo ze chcialem sobie przekompilowac WinNWT5 pod Mac OS X (niestety na razie mecze sie na niemieckiej wersji 4.11.07 przygotowanej przez W6ZBA) i tutaj rozmawialem z UB3TAF o udostepnieniu zrodel...

W sumie wyszlo na to ze niedlugo bedzie projekt umieszczony w jakims repozytorium i bierzemy sie za jego dalszy rozwoj. Bedzie mozna uwzglednic aby dodac algortm robiacy to z automatu. Tak samo troche mysle nad napisaniem programu dla PIC-a aby byla mozliwosc modyfikacji - w tym dodania np. kolejnej sondy na wolne wejscie przetwornika.

Tomek - SP6VGX (SWL: SP-0316-JG)
QTH: Warszawa, LOKATOR: KO02NG
http://www.sp6vgx.pl/
(Ten post był ostatnio modyfikowany: 21-01-2016 12:44 przez SP6VGX.)
21-01-2016 12:44
Znajdź wszystkie posty użytkownika Odpowiedz cytując ten post
SQ5KVS Offline
Karol
*****

Liczba postów: 1,013
Dołączył: 26-09-2012
Post: #26
RE: Analizator NA200
W WinNWT o ile dobrze pamiętam, można sobie ustalić odstęp czasu pomiędzy poszczególnymi krokami. Wtedy sygnał na pewno "dotrze" i zostanie zmierzony, co najwyżej wartość będzie odczytana przy następnej nastawie częstotliwości.

Pozdrawiam
21-01-2016 14:33
Znajdź wszystkie posty użytkownika Odpowiedz cytując ten post
SQ4AVS Offline
Rafał
*****

Liczba postów: 1,421
Dołączył: 29-01-2010
Post: #27
RE: Analizator NA200
Zdzisławie problemem nie jest głównie czas propagacji a odpowiedź impulsowa filtru. Bardzo dobrze to widać na początku wykresu. Problem całkowicie rozwiązuje rozwiązanie podane przez Karola post wyżej.


Załączone pliki
.pdf  dzwonienie.pdf (Rozmiar: 15.72 KB / Pobrań: 1478)
(Ten post był ostatnio modyfikowany: 21-01-2016 15:54 przez SQ4AVS.)
21-01-2016 15:54
Odwiedź stronę użytkownika Znajdź wszystkie posty użytkownika Odpowiedz cytując ten post
BUBAMUBA Offline
Nowicjusz
*

Liczba postów: 25
Dołączył: 15-03-2016
Post: #28
RE: Analizator NA200
Czy jest możliwość udostępnienia gerberów albo ma ktoś do sprzedania PCB właśnie tej zmienionej wersji NWT200 Adama (SP5FCS). Bo jeśli chodzi o BOM, opis uruchomienia i wsad do PICa to mam się wzorować na oryginalnym projekcie jak rozumiem.


EDIT.

Po chwili się spostrzegłem że to temat sprzed 5 lat. Tak więc się dopytam czy warto to teraz budować ?
(Ten post był ostatnio modyfikowany: 18-03-2016 12:26 przez BUBAMUBA.)
18-03-2016 12:26
Znajdź wszystkie posty użytkownika Odpowiedz cytując ten post
SP5BMP Offline
Janusz
****

Liczba postów: 606
Dołączył: 02-11-2010
Post: #29
RE: Analizator NA200
Popatrz uważnie Dawidzie na post nr 1 w tym wątku. Został napisany niecałe 2 lata temu.
18-03-2016 13:59
Znajdź wszystkie posty użytkownika Odpowiedz cytując ten post
BUBAMUBA Offline
Nowicjusz
*

Liczba postów: 25
Dołączył: 15-03-2016
Post: #30
RE: Analizator NA200
(18-03-2016 13:59)SP5BMP napisał(a):  Popatrz uważnie Dawidzie na post nr 1 w tym wątku. Został napisany niecałe 2 lata temu.
Dobra przepraszam za nieuwage spojrzałem na datę dołączenia autora a nie na datę umieszczenia posta więc wracam do pierwszego pytania o gerbery lub PCB
18-03-2016 14:21
Znajdź wszystkie posty użytkownika Odpowiedz cytując ten post
Odpowiedz 


Skocz do:


Użytkownicy przeglądający ten wątek: 1 gości