Odpowiedz 
 
Ocena wątku:
  • 10 Głosów - 4.6 Średnio
  • 1
  • 2
  • 3
  • 4
  • 5
HUSAREK - nowa homodyna dla "każdego"
SP6LTP Offline
Zbyszek
****

Liczba postów: 318
Dołączył: 02-02-2010
Post: #361
RE: HUSAREK - nowa homodyna dla "każdego"
Tak jak w opisie rysunku 1uF, 1uF,1uF.
Mam jeszcze charakterystyki dla innych wartości kondensatorów :

İmage
1uF, 330nF, 1uF

İmage
1uF, 680nF,1uF

İmage
1uF,1uF,1uF

73! Zbyszek
23-03-2013 21:23
Znajdź wszystkie posty użytkownika Odpowiedz cytując ten post
SP4LVC Offline
Bogdan sk
*****

Liczba postów: 761
Dołączył: 10-07-2009
Post: #362
RE: HUSAREK - nowa homodyna dla "każdego"
Rozumiem, że piszesz o pojemnościach w okolicy cewek L16 i L17 V.3 (L6, L7 wersja V.4) ?

Bogdan
23-03-2013 22:09
Znajdź wszystkie posty użytkownika Odpowiedz cytując ten post
SQ5OBS Offline
Rafał

Liczba postów: 6
Dołączył: 23-06-2009
Post: #363
RE: HUSAREK - nowa homodyna dla "każdego"
Witam,

Po woli zabieram się za składanie Husarka. Mam PCB homodyny i automatyki. Jednak nurtuje mnie parę niewiadomych.
Nie wiem czy selekcjonować wszystkie elementy SMD czy tylko polifazer?
Jak to wszystko poskładać - do tej pory uruchamiałem proste konstrukcje, uruchamiając etapami.

Do Husarka chyba nie ma jako takiej "instrukcji" uruchamiania. A patrząc po zdjęciach kolegów widzę że nie wszystkie elementy są montowane na PCB.


Pozdrawiam,
Rafał SQ5OBS
24-03-2013 18:47
Znajdź wszystkie posty użytkownika Odpowiedz cytując ten post
SP3IQ Offline
Bogdan
****

Liczba postów: 281
Dołączył: 23-10-2011
Post: #364
RE: HUSAREK - nowa homodyna dla "każdego"
Rafale,
Jest przygotowywany podręcznik montażu Husarka. Podręcznik będzie zawierał opisy działania poszczególnych stopni oraz opisy montażu od najprostszych płytek do tych trudniejszych, wszystko z niezbędnymi ilustracjami i rysunkami. Myślę, że uda się po świętach wielkanocnych udostępnić tutaj na forum ten podręcznik w postaci pliku PDF. Jeszcze trochę cierpliwości.
24-03-2013 20:21
Znajdź wszystkie posty użytkownika Odpowiedz cytując ten post
TG50 Offline
Józef
***

Liczba postów: 178
Dołączył: 20-11-2009
Post: #365
RE: HUSAREK - nowa homodyna dla "każdego"
(24-03-2013 18:47)SQ5OBS napisał(a):  Nie wiem czy selekcjonować wszystkie elementy SMD czy tylko polifazer?

Z mojego doświadczenia ilość koniecznych pomiarów i testów jest odwrotnie proporcjonalna do posiadanej wiedzy i doświadczenia. Pomiarów nigdy za dużo: pozwalają wyeliminować pomyłki, wadliwe elementy. Jeśli mammy więcej elementów to czemu nie wybrać takich o odpowiednich wartościach. Nie wszystkie wartości rezystorów i kondensatorów są istotne, trzeba się tego nauczyć lub pytać. Nie ma potrzeby mierzyć kondensatorów blokujących zasilanie czy rezystorów do polaryzacji np. wejść układów cyfrowych bo ich nawet duże rozrzuty nie mają wpływu na działanie układu. Są jednak takie "lokalizacje" gdzie dokładność doboru zapewnia powtarzalność uzyskanych parametrów np. filtry.

Wskazane byłoby aby konstruktorzy urządzeń zamieszali na ten temat więcej informacji np. lista elementów dobieranych, pozostałe 5%.
Przy elementach SMD trzeba uważać aby nie pomylić wartości: uwaga na opisy rezystorów 1% oraz kondensatory gdzie po wlutowaniu trudno będzie sprawdzić ich wartość.
24-03-2013 20:43
Znajdź wszystkie posty użytkownika Odpowiedz cytując ten post
SQ5KHA Offline
Darek
***

Liczba postów: 173
Dołączył: 10-04-2011
Post: #366
RE: HUSAREK - nowa homodyna dla "każdego"
Witaj Rafale,
może i ja dodam coś od siebie. Do każdego modułu jest schemat z bieżącymi aktualizacjami, chyba że kolega ma problem w posługiwaniu się schematem, to są zdjęcia dosyć wyraźne, którymi można się podeprzeć przy montażu płytek. Wszystkie „chochliki” na płytkach są przez kolegów wyłapane i pokazane jak trzeba je usunąć. Jeśli chodzi o dobieranie elementów to wszystko jest opisane, trzeba tylko poświecić troszkę czasu i przeczytać, nawet gdy powstanie pełny opis w niedalekiej przyszłości to też niestety trzeba go przestudiować Smile, choć na pewno będzie łatwiej, gdyż wszystko będzie opisane w jednym opracowaniu, tak jak zrobił to kolega Adam SP5FCS w wątku Syntezy, ale jeśli będą jakieś niejasności to na pewno koledzy pomogą.

73 Darek
24-03-2013 20:54
Znajdź wszystkie posty użytkownika Odpowiedz cytując ten post
SQ5OBS Offline
Rafał

Liczba postów: 6
Dołączył: 23-06-2009
Post: #367
RE: HUSAREK - nowa homodyna dla "każdego"
Dziękuje kolegom za odpowiedzi. Na pewno przed świętami nie zacznę montażu. Tak, że może się posłużę podręcznikiem o którym wspomniał Bogdan. Jeśli nie to schemat i powoli do przodu.

Rafał SQ5OBS
24-03-2013 20:57
Znajdź wszystkie posty użytkownika Odpowiedz cytując ten post
SP6AUO Offline
Andrzej
*****

Liczba postów: 1,051
Dołączył: 20-09-2009
Post: #368
RE: HUSAREK - nowa homodyna dla "każdego"
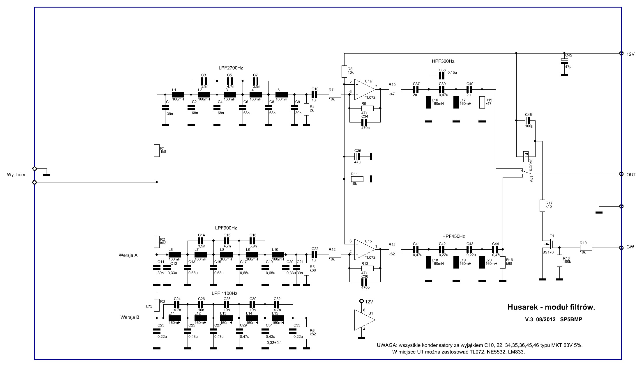
Witam.Muszę sprostować post 364.
1:nazwa wykresu 1uF,330nF,1uF powinno być:1uF,680nF,1uF.
2:nazwa wykresu 1uF,680nF,1uF powinno być 1uF,330nF,1uF.
Wykresy dotyczą zmiany kondensatora C38+C39 = 330nF lub 680 lub 1uF przy stałych wartościach pozostałych C.
Kondensatory C37 = C40 = 1uF
Kondensatory C1 = C9 = 56nF , C2 = C4 = C6 = C8 = 2x56nF = 112nF.
Widać jak przesuwa się pasmo od strony 300Hz.
Pozdrawiam.Andrzej sp6auo


Załączone pliki Miniatury
İmage

Andrzej
25-03-2013 12:46
Znajdź wszystkie posty użytkownika Odpowiedz cytując ten post
SP5CGI Offline
Maciek
***

Liczba postów: 200
Dołączył: 31-05-2011
Post: #369
RE: HUSAREK - nowa homodyna dla "każdego"
Uruchomiłem PA, LPF i płytkę antenową.Przy uruchamianiu PA należy pamiętać o połączeniu obudów tranzystorów Q2-Q4 z masą płytki ( post 206 Zdzisława SP4HKQ) HUSAR (wzbudzanie stopnia końcowego). Po zmontowaniu startuje bez problemu. Przy sterowaniu sygnałem 0 dBm na wyjściu 15 W. Zasilanie 13,8V. Przy okazji przetrenowałem zwarcie wyjścia do masy (próba nie zamierzona), wzmacniacz obronił się.
Na płytce antenowej dokonałem nast. zmian: R6-7,5k R7-27k P1-10k. Zakres regulacji tłumika ALC 6,45V-7,85V.
Należy zwrócić uwagę na nawinięcie i podłączenie transformatora T1 , napięcie F pad. musi być na PR3.
Przy okazji - LPF na SMD 50V pracowały przez 5.min. w warunkach 15W ,SWR 3,5.
Dłużej nie próbowałem.
(Ten post był ostatnio modyfikowany: 28-03-2013 21:55 przez SP5CGI.)
28-03-2013 21:48
Znajdź wszystkie posty użytkownika Odpowiedz cytując ten post
SP4HKQ Offline
Zdzisław SK!
****

Liczba postów: 490
Dołączył: 19-08-2009
Post: #370
RE: HUSAREK - nowa homodyna dla "każdego"
Poniżej zamieszczam poglądowy schemat blokowy TRX HUSAREK. Schemat ilustruje moduły funkcjonalne z których składa się budowane radio.

W kolejnych załącznikach projekt wzmacniacza mocy do Husarka PA 15W


Załączone pliki Miniatury
İmage

.bmp  Husarek.BMP (Rozmiar: 201.04 KB / Pobrań: 2662)
.lay  PA HUSAREK 15W.LAY (Rozmiar: 114.79 KB / Pobrań: 2032)
(Ten post był ostatnio modyfikowany: 19-04-2013 23:32 przez SP4HKQ.)
29-03-2013 23:00
Znajdź wszystkie posty użytkownika Odpowiedz cytując ten post
Odpowiedz 


Skocz do:


Użytkownicy przeglądający ten wątek: 9 gości