Odpowiedz 
 
Ocena wątku:
  • 2 Głosów - 5 Średnio
  • 1
  • 2
  • 3
  • 4
  • 5
Analizator NA01
SP7MUN Offline
Nowicjusz
*

Liczba postów: 11
Dołączył: 11-07-2012
Post: #121
RE: Analizator NA01
Po zakończeniu budowy miernika czas na jego użycie. Pomiary charakterystyk w funkcji częstotliwości nie wymagają dodatkowych elementów dlatego na początek sprawdziłem jak wygląda mój filtr kwarcowy o częstotliwości 9MHz.Pomiar miał za zadanie sprawdzenie charakterystyki w pasmie przenoszenia oraz tłumienie poza pasmem.
Pierwsze zdjęcie pokazuje ustawienie miernika właściwe dla pomiaru urządzenia o wąskim pasmie. Jeśli znana jest częstotliwość środkowa to można od razu ustalić pomiar w paśmie np.10 kHz (czyli 0,005 MHZ w obie strony od częstotliwości środkowej). W tym więc wypadku ustawiłem następujące parametry pomiaru:
STAR = 9mhz -0.005mhz =8,9950 MHz
STOP = 9mhz +0,005mhz =9,0050 MHz
Pomiar należy poprzedzić kalibracją, która w dwóch krokach polega na rozwarciu wejścia i wykonanie odczytu a następnie zwarciu wejścia z wyjściem i ponowne odczytanie wartości. Procedura ta jest dość prosta i szybka i jeśli nie zmieni się zasadniczo zakresu pomiarowego to jednorazowa kalibracja jest wystarczająca dla wszystkich kolejnych pomiarów.
Niestety, mierzony filtr posiada dość dużą nierównomierność w paśmie przenoszenia (rzędu 10dB) więc założyłem poziom odniesienia dla pasma przenoszenia na 10dB. Z kolejnych zdjęć wynika, że pasmo przenoszenia na poziomie ok. -10dB wynosi:
9,00168MHz – 8,99869MHz = 0,00299MHz = 2,99kHz
Tłumienie poza pasmem przenoszenia mierzyłem na poziomie ok -60dB:
9,00341MHz – 8,99680MHz = 0,00661MHz = 6,61kHz
Na tej podstawie można pokusić się o wyliczenię współczynnika kształtu, który definiuje się jako iloraz pasma na poziomie -60dB oraz na poziomie -6dB. W tym przypadku musi „wystarczyć” pomiar na poziomie -10dB a współczynnik kształtu wynosi 6.61kHz/2.99kHz = 2,21
Niestety, tego filtru nie można dostroić lepiej w pasmie pracy ze względu na konstrukcję ale warto wiedzieć czym się dysponuje ;-)
W kolejnym poście przedstawię pomiary częstotliwości. Miałem z tym pewne problemy bo dłuższy czas ta funkcja mi nie działała i dlatego dość długo zwlekałem z odpowiedzią ale napiszę o tym oddzielnie.


Załączone pliki Miniatury
İmage İmage İmage İmage İmage İmage İmage İmage
21-10-2012 12:11
Znajdź wszystkie posty użytkownika Odpowiedz cytując ten post
SP6FRE Offline
Leszek
****

Liczba postów: 737
Dołączył: 20-09-2009
Post: #122
RE: Analizator NA01
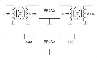
Patrząc na te pomiary trzeba brać pod uwagę, że impedancja filtra PP9 wynosi ok. 500 omów a impedancje portów NA01 to ok. 50 omów. Być może, to spore niedopasowanie, głównie na wyjściu filtra ma wpływ na jego, opadającą w paśmie pracy, charakterystykę.
Andrzeju, gdybyś miał warunki i czas to proponuję wykonać pomiar z lepszym dopasowaniem co można zrobić na kilka sposobów ale ja proponuję dwa: za pomocą transformatora 1:3 oraz rezystorów 430 omów. Dopasowanie za pomocą transformatorów nie wprowadza strat ale dopasowanie za pomocą rezystorów, choć wprowadzające straty jest szybsze i powinno pokazać jaki jest wpływ oporności dopasowania na wejściu i wyjściu filtra. W dopasowaniu za pomocą transformatorów można użyć rdzeni dwuotworowych nawijając uzwojenia na środkowej kolumnie lub też użyć czerwonych rdzeni Amidon. Najbardziej miarodajnym pomiarem wydaje się jednak pomiar filtra w działającym układzie gdzie oporności na wejściu i wyjściu filtra są ustalone. Taki pomiar da rzeczywisty kształt charakterystyki toru p.cz.
Pomiar charakterystyki filtra jest szczególnie istotny kiedy mamy na nią wpływ budując własne filtry.
L.J.


Załączone pliki Miniatury
İmage
(Ten post był ostatnio modyfikowany: 21-10-2012 18:00 przez SP6FRE.)
21-10-2012 17:58
Odwiedź stronę użytkownika Znajdź wszystkie posty użytkownika Odpowiedz cytując ten post
SQ1GYQ Offline
Andrzej
****

Liczba postów: 411
Dołączył: 18-06-2009
Post: #123
RE: Analizator NA01
Witam

Lub użyć fabrycznych transformatorków 1:9 czyli będzie bliżej impedancji PP9 Smile, a czemu 1:3 ?, przecież będzie 50:150.
np: coilcrafta, tylko jak się niema to trzeba nawinąć.

Pozdrawiam

Andrzej
(Ten post był ostatnio modyfikowany: 21-10-2012 18:47 przez SQ1GYQ.)
21-10-2012 18:47
Znajdź wszystkie posty użytkownika Odpowiedz cytując ten post
SP4HKQ Offline
Zdzisław SK!
****

Liczba postów: 490
Dołączył: 19-08-2009
Post: #124
RE: Analizator NA01
Andrzej 1:3 w ilości zwoi to 1:9 w impedancji.
21-10-2012 20:18
Znajdź wszystkie posty użytkownika Odpowiedz cytując ten post
SQ1GYQ Offline
Andrzej
****

Liczba postów: 411
Dołączył: 18-06-2009
Post: #125
RE: Analizator NA01
Ok zrozumiałem myślałem że chodzi o przełożenie impedancji nie zwoi Smile dzięki Zdzisław za poprawkę - wyjaśnienie Smile zmyliło mnie, no w sumie Leszek napisał o rezystorach 430ohm więc w sumie powinno być jasne a jak widać się zakręciłem Smile

Andrzej
21-10-2012 20:39
Znajdź wszystkie posty użytkownika Odpowiedz cytując ten post
SP7MUN Offline
Nowicjusz
*

Liczba postów: 11
Dołączył: 11-07-2012
Post: #126
RE: Analizator NA01
Wykonałem ponownie pomiar filtra z użyciem dopasowania rezystancyjnego po 430 omów z obu stron filtra. Oczywiście rezystory wprowadziły ok. 13 dB tłumienia w pomiarze ale udało się prawidłowo pomierzyć pasmo na poziomie ok. 6dB, które wynosi 2.5kHz a zafalowania w pasmie pracy są istotnie zmniejszone. Ponieważ pasmo na poziomie -60dB wynosiło ok. 6.6kHz to współczynnik kształtu wynosi ok. 6.6/2.5=2.64. Widać więc, że prawidłowe dopasowanie filtra ma bardzo duże znaczenie dla jego pracy w torach nadajnika i odbiornika.


Załączone pliki Miniatury
İmage İmage İmage İmage
26-10-2012 12:57
Znajdź wszystkie posty użytkownika Odpowiedz cytując ten post
SP6FRE Offline
Leszek
****

Liczba postów: 737
Dołączył: 20-09-2009
Post: #127
RE: Analizator NA01
Wydaje się, że porównanie charakterystyk z obu pomiarów jest bardzo wymowne bo widać jak bardzo ważne jest prawidłowe dopasowanie filtra w układzie odbiornika lub nadajnika. Szczególnie istotne jest obciażenie filtra bo zbyt małe, istotnie deformuje charakterystykę od strony większych częstotliwości. Oznacza to, że pasmo sygnału będzie zawężone od dołu lub góry w zalezności od tego , którą wstęgę się uformuje. Ciekawe jak wyglądałaby ta charakterystyka z transormatorami 1:3 ;-)?
L.J.
(Ten post był ostatnio modyfikowany: 29-10-2012 14:08 przez SP6FRE.)
29-10-2012 14:08
Odwiedź stronę użytkownika Znajdź wszystkie posty użytkownika Odpowiedz cytując ten post
SP7MUN Offline
Nowicjusz
*

Liczba postów: 11
Dołączył: 11-07-2012
Post: #128
RE: Analizator NA01
Kolejnym pomiarem jaki udało mi się udokumentować jest pomiar częstotliwości. W tym wypadku aktywne jest tylko wejście miernika. Zanim jednak udało mi się uruchomić tą funkcjonalność miałem dwa problemy. Jeden dotyczył zbyt dużej wartości szeregowego opornika w obwodzie przekaźnika pomiarowego częstotliwości. Po zmianie na mniejszy, przekaźnik zaczął działać ale w dalszym ciągu nie można było odczytać częstotliwości. Po konsultacji z Leszkiem doszedłem do wniosku, że brak było zasilania obwodu
wzmacniacza formującego sygnał pomiarowy tym bardziej, że grzał się opornik zasilający ten wzmacniacz. Prawdopodobnie winne było mikro zwarcie do masy przy diodzie zenera 5.1V lub przy pojemności blokującej zasilanie do masy. Po przylutowaniu tych elementów pojawiło się napięcie zasilania na wzmacniaczu, opornik zasilający przestał się grzać a pomiary stały się możliwe.
Do testów użyłem posiadanego GDO. Na obudowie cewki A=10-32mhz-GDO nawinąłem 3 zwoje i dołączyłem do wejścia pomiarowego NA01. Udało mi się pomierzyć częstotliwości do nieco ponad 18MHz. Dla tej częstotliwości napięcie w.cz. na wejściu NA01 ma wartość ok. 30mV. Dla wyższych częstotliwości miernik nie reaguje więc prawdopodobnie potrzebne jest większe napięcie. Wydaje się, że można byłoby poprawić czułość miernika za pomocą dodatkowej sondy pomiarowej zawierającej wzmacniacz lub choćby separator sygnału.


Załączone pliki Miniatury
İmage İmage
29-10-2012 16:34
Znajdź wszystkie posty użytkownika Odpowiedz cytując ten post
SP9FKP Offline
Piotr
*****

Liczba postów: 1,287
Dołączył: 28-06-2009
Post: #129
RE: Analizator NA01
Informuję, że konstrukcja Leszka ma już swój wątek na CQHAM.RU. Można spodziewać się merytorycznej dyskusji i nowych pomysłów.
Gratulacje Leszku !
30-10-2012 8:58
Znajdź wszystkie posty użytkownika Odpowiedz cytując ten post
SP6FRE Offline
Leszek
****

Liczba postów: 737
Dołączył: 20-09-2009
Post: #130
RE: Analizator NA01
Dziękuję za informacje na ten temat, faktycznie, zwrócił się do mnie kolega krótkofalowiec z Rosji w sprawie przeniesienia projektu na chip TQFP. Wprawdzie nie wydaje mi się to absolutnie konieczne ale warto docenić zapał ;-)
Przy okazji informuję, że wkrótce pokażę najnowsza wersję NA01, która zawiera dwie różnice w stosunku do poprzedniej: po pierwsze zmieniłem nieco system pomiaru czestotliwości uzyskując dokładność 10^-6 (w stosunku do poprzedniej 10^-5) oraz zmniejszyłem rozmiar płytki drukowanej do szerokości nieco większej niż szerokość wyświetlacza. Oczywiście zmniejszyłem również długość urządzenia, które teraz jest bardziej zwarte. Jutro lub pojutrze pokażę jak to wyglada po zmianach.
L.J.
Najnowsza wersja analizatora wymaga niestety nowego druku :-(
Przy okazji projektów dotyczących Tiny DDS bis oraz transceivera CW zrobiłem płytkę nowej wersji. Jak w obu wymienionych projektach i tu nie obyło się bez błędów ale nie były one dotkliwe bo dotyczyły np. kilku zbyt małych otworów lub pominiętego połączenia, które daje się łatwo odtworzyć :-(
Nowa płytka ma rozmiary 80/115mm a obudowa miernika, wykonana z laminatu ma wymiary 90/120/30mm. Udało mi się poprawić dokładność pomiaru częstotliwości realizując zliczanie impulsów w rejestrze o pojemności 256. W wersji poprzedniej impulsy zliczał rejestr o pojemności 65536. Dlatego właśnie musiałem przenieść sygnał mierzony na inny pin procesora co wymagało przebudowy oprogramowania. Ze względu na zmniejszenie wymiarów głównej płytki musiałem do niej dopasować również płytkę klawiszy. Dodatkowym minusem jest konieczność wykonania nowej atrapy :-(. Najnowsze wersje druku oraz schematy a także oprogramowanie tej wersji znależć można już na mojej stronie.
Przy okazji zakupiłem do testów z NA01 dodatkowe wyświetlacze. Dla porównaia zamieszczam zdjęcia do pobieżnego porównania. Wyświetlacz niebieski - negatywowy ma symbol WG12864B-TMI-T#N, wyświetlacz pozytywowy - biały, ma końcówkę ..-TFH-T-#N020 a ostatni z wyświetlaczy - zielony, ma końcówke oznaczenia ..-YHY-T#N. W tym ostatnim wyświetlaczu nie zadziałało podświetlenie, być może ze względu na za mały prąd co wymaga jeszcze wyjaśnienia. Ja preferuję jednak wyświetlacz niebieski ..-TMI-T#N
L.
Do kompletu nowej wersji załączam zdjęcie płytki ze zdjętym wyświetlaczem. Słowo wyjaśnienia należy się również widocznej w lewym górnym rogu na płytce w podstawce dla AD8307 konstrukcji. To płytka przejściowa z wersji smd na wersję DIL ;-) Ponieważ trudniej zakupić wersję DIL tego układu zrobiłem również dla tej obudowy wersję płytki drukowanej.


Załączone pliki Miniatury
İmage İmage İmage İmage İmage İmage
(Ten post był ostatnio modyfikowany: 01-11-2012 16:54 przez SP6FRE.)
31-10-2012 8:46
Odwiedź stronę użytkownika Znajdź wszystkie posty użytkownika Odpowiedz cytując ten post
Odpowiedz 


Skocz do:


Użytkownicy przeglądający ten wątek: 5 gości